Jednosmerný prúd#
Na porozumenie základných princípov práce s Arduinom je potrebná elementárna znalosť učiva o jednosmernom prúde v rozsahu, ako je bežne vyučovaný na hodinách fyziky.
Jednosmerný prúd (DC) je neoddeliteľnou súčasťou moderných elektronických zariadení, vrátane notebookov a vývojových platforiem ako Arduino. Tieto zariadenia vyžadujú stabilný a konštantný prúd, aby mohli správne fungovať, pretože ich citlivé elektronické komponenty by mohli byť poškodené alebo by nefungovali správne pri použití striedavého prúdu (AC), ktorý mení smer a veľkosť v pravidelných intervaloch. Keďže elektrická sieť v domácnostiach a podnikoch poskytuje striedavý prúd, je potrebné tento prúd previesť na jednosmerný. Tento prevod sa zvyčajne vykonáva pomocou napájacích adaptérov, ktoré obsahujú usmerňovače a stabilizátory napätia. Tým zabezpečujú, že zariadenia ako notebooky a Arduino dostávajú potrebný jednosmerný prúd na svoje napájanie.
Základné pojmy#
Elektrický náboj (Q
) je základná vlastnosť častíc, ako sú elektróny a protóny, ktorá spôsobuje, že tieto častice interagujú prostredníctvom elektromagnetických síl. Množstvo elektrického náboja sa meria v coulomboch (C
). V bežných elektrických obvodoch sú protóny súčasťou jadra atómov a majú kladný náboj a elektróny sú častice so záporným nábojom, ktoré sa môžu pohybovať.
Napätie (U
) je fyzikálna veličina vyjadrovaná vo voltoch (V
) a vyjadruje rozdiel elektrického potenciálu dvoch bodov. Predstavuje energiu potrebnú na premiestnenie elektrického náboja medzi týmito dvoma bodmi v určitom elektrickom poli.
Elektrický prúd (I
) je tok elektrického náboja cez vodič alebo iný materiál. Prúd sa meria v ampéroch (A
) a je určený množstvom náboja, ktoré pretečie daným bodom obvodu za jednotku času.
Elektrický odpor (R
) je miera schopnosti materiálu brániť toku elektrického prúdu. Odpor sa meria v ohmoch (Ω
) a závisí od vlastností materiálu, dĺžky a prierezu vodiča. Odpor určuje, ako ľahko alebo ťažko môže prúd prechádzať cez materiál.
Fungovanie prúdu#
Konvenčný prúd (alebo konvenčný smer prúdu) je pojem, ktorý sa používa na opis smeru prúdenia elektrického prúdu v obvode. Je to historicky zavedený smer, ktorý bol definovaný ešte predtým, než boli objavené elektróny - v 18. storočí Benjaminom Franklinom. Podľa konvenčného smeru prúdu sa prúd považuje za tečúci od kladného pólu (pozitívneho potenciálu) k zápornému pólu (negatívnemu potenciálu) zdroja napätia.
V skutočnosti sa však elektróny, ktoré nesú náboj, pohybujú opačným smerom, teda od záporného pólu k kladnému pólu. Konvenčný prúd sa však používa na jednoduchšiu a tradičnejšiu analýzu elektrických obvodov.
Ohmov zákon je základný princíp v elektrických obvodoch, ktorý opisuje vzťah medzi napätím (U), prúdom (I) a odporom (R). Formuloval ho nemecký fyzik Georg Simon Ohm. Tento zákon je vyjadrený rovnicou:
Ohmov zákon hovorí, že napätie v elektrickom obvode je priamo úmerné prúdu pretekajúcemu obvodom a odporu tohto obvodu. Je to základný zákon používaný pri analýze a návrhu elektrických a elektronických obvodov.

Fig. 1 Napätie (žltá farba) predstavuje motiváciu elektricky nabitých častíc hýbať sa, odpor (červená farba) reprezentuje prekážky v tomto pohybe a prúd (modrá farba) vyjadruje množstvo prejdených častíc.#
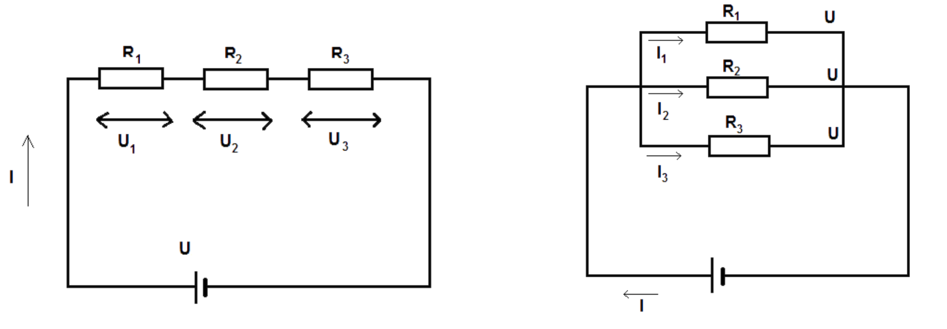
Kirchoffov zákon o prúde hovorí, že súčet prúdov vstupujúcich do uzla v elektrickom obvode je rovný súčtu prúdov vystupujúcich z tohto uzla. Inými slovami, algebraický súčet prúdov v ľubovoľnom uzle je nulový.
Kirchoffov zákon o napätí hovorí, že súčet elektrických napätí okolo uzavretého obvodu je nulový. To znamená, že súčet poklesov a nárastov napätia v ľubovoľnom uzavretom obvode je rovný nule.
Skrat#
Skrat (short curcuit) je situácia v elektrickom obvode, keď dôjde k priamemu spojeniu dvoch bodov obvodu, medzi ktorými je bežne veľký elektrický odpor, cez veľmi nízky odpor alebo žiadny odpor. Toto spôsobí, že elektrický prúd tečie neobvykle veľkým prúdom, čo môže viesť k prehriatiu a poškodeniu obvodu. Elektrické zariadenia môžu následkom skratu prestať fungovať, prípadne samotné prehriatie môže viesť k požiaru.
Skrat môže byť spôsobený:
mechanickým poškodením vodičov a izolácie
chybou v zapojení
Ochranné zariadenia:
tavná poistka (fuse) obsahuje vnútornú časť vo forme tenkého drôtu alebo pásika z vhodného materiálu (napr. cín, olovo), ktorá sa roztaví pri prechode väčšieho množstva prúdu. Z vodiča sa stane nevodič a tým sa preruší elektrický obvod. Tavná poistka sa nedá opakovane použiť.
istič (circuit breaker) automaticky vypína elektrický obvod pri nadprúde alebo skrate. Po odstránení príčiny poruchy je možné ich znovu použiť. Ističe sa používajú aj v domácnostiach.

Fig. 2 Tavná poistka (vľavo), istič (vpravo)#
Arduino a skrat
Pri práci s Arduinom je dôležité urobiť kontrolu zapojenia pred spustením, aby ste predišli skratu, ktorý môže poškodiť zariadenie.
Príklad zo života#
Zjednodušene si môžeme predchádzajúce pojmy predstaviť na nasledujúcom príklade:
Predstavme si školu, ktorá reprezentuje vodivý materiál.
Študenti reprezentujú elektricky nabité častice.
Napätie je motivácia študentov dostať sa od začiatku štúdia na jeho koniec a pri tom prekonávať prekážky a odpor.
Prúd je množstvo študentov v procese štúdia. V tomto prípade ide o jednosmerný prúd, kde študenti idú od imatrikulácie po promóciu.
Odpor ako vlastnosť materiálu sú všetky písomky, testy a skúšky.
Ak by neexistovali žiadne prekážky a diplom by bol zadarmo, nastane skrat a systém padne pod náporom množstva študentov.
Ohmov zákon hovorí o tom, že:
(fixný prúd) na udržanie rovnakého počtu absolventov je pri zvýšenej študentskej motivácii (U) nutné zvýšiť požiadavky (R).
(fixné napätie) pri rovnakej motivácii študentov je možné zvýšením náročnosti požiadaviek (R) znížiť počet študentov (I).
(fixný odpor) za rovnakých podmienok štúdia je pri zvýšenej motivácii študentov (U) počet absolventov vyšší (I).
Meranie napätia#
Multimeter je zariadenie, ktoré umožňuje meranie napätia, odporu a prúdu.
Kirchhoffove zákony naznačujú spôsob akým merať jednotlivé veličiny. Napätie sa dá merať paralelne, priložením meracích hrotov na vybrané uzly v elektrickom obvode. Veľkosť prúdu je potrebné merať zapojením do série.

Fig. 3 Sériové (vľavo) a paralelené (vpravo) zapojenie rezistorov.#
Experiment č. 1 - Meranie napätia batérie
Pomôcky: multimeter, batéria
Vyskúšajme si meranie napätia pomocou multimetra.
Typicky má multimeter možnosť merania jednosmerného a striedavého napätia. Vyberieme jednosmerné V⎓
a zvolíme rozsah. Vyberáme hodnotu, ktorá je väčšia ako očakávané napätie. Na obrázku nižšie má multimeter rozsah 200mV, 2V, 20V, 200V a 500V.
Keďže používame 9V batériu, vyberieme 20V.

Fig. 4 Multimeter zapnutý na meranie napätia. 9V batéria ukazuje napätie 5.09V.#
Pri opačnom zapojení meracích hrotov dostaneme rovnakú hodnotu so záporným znamienkom.
Elektrický obvod s Arduinom#
Breadboard sa používa na tvorbu a testovanie prototypov obvodov bez potreby spájkovania. Je to plastová doska s otvormi, do ktorých je možné vkladať komponenty (rezistory, senzory, diódy a pod.) a vodiče. Tieto otvory sú usporiadané do mriežky a prepojené vodivými dráhami, čo umožňuje rýchle a jednoduché prepojenie elektronických súčiastok.

Fig. 5 Ukážka breadoboardu. Červenou farbou sú naznačené niektoré prepojenia vodivými dráhami.#
Arduino je open-source platforma pre vývoj elektronických prototypov, ktorá kombinuje hardvér (mikroprocesorové dosky) a softvér (programovacie prostredie IDE).
Arduino Nano je mikroprocesorová doska, ktorá je konkrétnym modelom platformy Arduino. Je navrhnutá pre projekty, kde je dôležitá malá veľkosť a nízka hmotnosť. Arduino Nano obsahuje mikrokontrolér (typicky ATmega328P) a poskytuje všetky základné funkcie, ktoré potrebujete pre vývoj a testovanie elektronických prototypov, vrátane digitálnych a analógových vstupov/výstupov, sériovej komunikácie a podpory pre rôzne senzory a moduly.

Fig. 6 Arduino Nano - pohľad zhora. Veľký čierny štvorec je mikrokontrolér. Hore a dole sa nachádzajú označené piny.#
Piny sú fyzické kontaktné body na doske (v tomto prípade Arduino Nano), ktoré umožňujú pripojenie rôznych elektronických komponentov. Každý pin má špecifickú funkciu a je očíslovaný, aby bolo možné jednoducho identifikovať a zapojiť požadované komponenty.
Vytvorenie elektrického obvodu je realizované pomocou vývojovej dosky Arduino Nano a breadboardu. Jednotlivé komponenty sú prepájané pomocou dupont káblov. Aj keď je možné prepájať komponenty akýmkoľvek vodivým materiálom, napr. medeným drôtom, použitie dupont káblov je pohodlné. Ide o vodič, ktorý je obalený farebným izolátorom, čo umôžňuje ľahšiu orientáciu v zapojenom obvode. Na koncoch obsahuje konektory pre jednoduchšie zapojenie do breadboardu.

Fig. 7 Dupont káble používané na prepájanie jednotlivých komponentov v elektrickom obvode. Umožňujú spolu s breadboardom ľahkú manipuláciu a znovupoužitie.#
Experiment č. 2 - Meranie napätia Arduina
Pomôcky: Arduino Nano, breadboard, multimeter alebo voltmeter
Môžeme si vykúšať zapojenie Arduina do breadboardu. Je možné, že samotné meranie napätia bude zložité. Závisí to od konkrétneho multimetra. V takom prípade je vhodné použiť dodatočné káble alebo drôty, prípadne merať napätie bez použitia breadboardu.
Postup:
čierny merací hrot multimetra priložiť k pinu označenému GND. Arduino Nano obsahuje dva takéto piny. Obe sú rovnocenné.
červený merací hrot multimetra priložiť k pinu označenému 5V.

Fig. 8 Schéma merania napätia Arduina pomocou multimetra.#
Výsledok:
meranie na vypnutom Arduine ukazuje napätie 0V.
meranie na Arduine zapojenom v elektrickej sieti ukazuje približne 5V (pravdepodobne hodnota medzi 4.9V a 5V).
meranie na Arduine napájanom cez USB z počítača ukazuje približne 4.7V. V tomto prípade dochádza k poklesu napätia na ochrannom diódovom obvode a ďalších komponentoch.
V prípade použitia iného modelu Arduino, je vhodné skontrolovať si operačné napätie. Nie všetky modely používajú 5V. Často je to hodnota 3.3V.
Alternatíva merania s voltmetrom:
Napätie je možné merať aj senzorom napätia. Takýto senzor má typicky tri konektory. Čierny sa pripája rovnako ako čierny hrot multimetra. Červený hrot sa používa na napájanie zariadenia a žltý na meranie.
V prípade merania napätia na Arduine sa červený a žltý hrot priložia na rovnaké miesto (pin 5V).

Fig. 9 Senzor napätia. Tento konkrétny model má rozsah merania 3.5V - 30V, čiže malé 1.5V batérie nie je schopný merať.#
Teraz funguje Arduino podobne ako batéria. V ďalších kapitolách využijeme aj ostatné piny na nastavenie napätia alebo na jeho meranie.
Odpor v obvode#
Odpor je základnou vlastnosťou elektrických obvodov. Spomenuli sme si, že ide o mieru schopnosti materiálu brániť toku elektrického prúdu. Rôzne materiály majú rôznu mieru odporu. Kovové materiály majú zvyčajne nízky odpor, zatiaľ čo nevodivé materiály vysoký. Odpor závisí aj pri rovnakom type materiálu od rôznych faktorov, ako je jeho dĺžka, prierezová plocha a teplota. Vo väčšine prípadov (napr. pri kovoch) je vyššia teplota spojená s vyšším odporom.
Komponenty v obvode sú často navrhnuté tak, aby mali špecifický odpor, čím sa zabezpečí správny tok prúdu a prevádzka jednotlivých súčastí v medziach bezpečného rozsahu prúdu.
Rezistor#
Zariadenia, ktoré poskytujú stabilnú hodnotu odporu sa nazývajú rezistory. Prioritne sa používajú na obmedzenie pretekajúceho prúdu a tým pádom aj ochranu citlivých komponentov, ako sú LED diódy, senzory alebo samotné mikrokontroléry.

Fig. 10 Na obrázku je rezistor s hodnotou odporu 10kΩ. Samotnú hodnotu je možné zistiť meraním alebo pomocou štyroch farebných pruhov na tele rezistora.#
Farebné označenie pruhov na rezistore vyjadruje jeho hodnotu. Funguje to nasledovne:
Rezistor má na sebe 3 až 6 pruhov. Prvé tri pruhy (ak ide o 5- a 6-pruhový rezistor, tak prvé štyri) označujú hodnotu odporu. Nasleduje tolerancia a pri 6-pruhovom rezistore aj teplotný koeficient. Na obrázku vyššie je 4-pruhový rezistor.
Na zadnej časti je posledný pruh typicky oddelený trochu väčšou medzerou. Hodnoty čítame z prednej strany. Rezistor na obrázku má prednú časť začínajúcu hnedou farbou.
Každá farba má priradené svoje číslo.
Tri (resp. štyri) pruhy, ktoré označujú hodnotu odporu sú delené nasledovne. Dva (resp. tri) pruhy označujú dvojciferné (resp. trojciferné) číslo a posledný pruh je multiplikátor (t.j. koľko núl je potrebné doplniť, resp. násobí sa číslom 10 umocneným na danú hodnotu). Na obrázku vyššie je to hnedá farba (1), čierna farba (0) a oranžová farba (3). Teda hodnota je \(10 \times 10^3 = 10 000Ω = 10kΩ\).
Posledný (resp. pri 6-pruhovom rezistore predposledný) pruh označuje toleranciu. Zlatá farba znamená \(\pm 5\%\). Rezistor na obrázku bude mať skutočnú hodnotu odporu z intervalu od \(9.5kΩ\) do \(10.5kΩ\).
Posledný pruh pri 6-pruhovom rezistore označuje teplotný koeficient. Jedná sa o vyjadrenie zmeny odporu so zmenou teploty.
Najčastejšie sú k dispozícii 4- a 5-pruhové rezistory. Čítať ich hodnotu vyžaduje trochu cviku. Na internete existuje niekoľko interaktívnych kalkulačiek na výpočet hodnoty odporu na základe farieb.

Fig. 11 Spôsob výpočtu odporu rezistora na základe farieb.#
Experiment č. 3 - Identifikácia rezistorov
Pomôcky: rezistor, multimeter
Na internete si nájdeme kalkulačku odporu. Podľa farebných pruhov sa pokúsime identifikovať, o aký rezistor sa jedná.
Následne odmeriame odpor rezistora pomocou multimetra. Pri odpore hovoríme o vlastnosti materiálu, nie je preto nutné zapojenie do elektrického obvodu. Priložíme hroty multimetra na jednotlivé konce rezistora a nastavíme rozsah merania (multimeter na obrázku má hodnoty 200MΩ, 20MΩ, 200kΩ, 20kΩ, 2kΩ, 200Ω).

Fig. 12 K dispozícii je rezistor z predošlého obrázka s hodnotou \(10kΩ \pm 5\%\). Rozsah na multimetri je \(20kΩ\) a skutočná nameraná hodnota \(9.78Ω\), čo je v tolerancii.#
Potenciometer#
Potenciometer je zariadenie, ktoré vie meniť hodnotu odporu. Aj keď existujú rôzne verzie potenciometrov podľa spôsobu, priebehu zmeny odporu a pod., tento najjednoduchší umožňuje manuálnym otáčaním bežca meniť lineárne hodnotu odporu v rozsahu od 0Ω do maximálnej hodnoty určenej potenciometrom.

Fig. 13 Na obrázku je potenciometer s troma terminálmi. Otáčaním bežca zariadenia je možné meniť odpor pri zapojení stredného terminálu a jedného z krajných.#
Potenciometer obsahuje tri terminály (piny). Ak by sme zapojili do obvodu iba krajné terminály, dostaneme rezistor s fixným odporom. Táto hodnota je typicky uvedená priamo na zariadení, alebo ju môžeme zistiť odmeraním.
Ak zapojíme do obvodu potenciometer prostredným terminálom a jedným z krajných, vtedy sa odpor mení vzhľadom na polohu otočenia bežca. Pri zapojení do obvodu je dôležité uvedomiť si, že pri otočení na krajnú pozíciu bežca, je možné dostať nulový odpor. Často je vhodným riešením pridanie fixného rezistora, ktorý ochráni napr. Arduino pred skratom.
Experiment č. 4 - Potenciometer
Pomôcky: Arduino Nano, breadboard, rezistor (10kΩ), potenciometer (10kΩ), dupont káble, multimeter alebo voltmeter
Obvod si nastavíme nasledovne:
rezistor je napojený na 5V na Arduine a na krajný terminál potenciometra.
potenciometer je napojený jedným krajným terminálom na rezistore a druhým na GND na Arduine.
jednotlivé komponenty môžeme spájať priamo alebo použitím dupont káblov.

Fig. 14 Príklad zapojenia obvodu (bez multimetra).#
Vykonáme meranie pomocou multimetra. Čierný hrot multimetra priložíme na GND Arduina (alebo príslušný krajný terminál potenciometra, ktorý je s ním spojený). S červeným hrotom skúšame nasledovné:
5V na Arduine alebo nožička rezistora, ktorá k nemu smeruje - vtedy je merané napätie podľa spôsobu napojenia Arduina. Pri USB napojení je to 4.7V.
Krajný terminál potenciometra napojený na rezistor alebo nožička rezistora, ktorá smeruje k potenciometru - vtedy je merané napätie približne 2.4V. Ak máme rovnaký odpor potenciometra a rezistora, tak je napätie rozdelené zhruba na polovicu. Nameraná hodnota je spôsobená úbytkom napätia na rezistore. Čím slabší rezistor použijeme, tým väčšiu hodnotu nameráme. Pripomeňme si, že napätie je rozdiel dvoch potenciálov. V tomto prípade ide o relatívny rozdiel medzi GND (čierny hrot) a mieste medzi dvoma rezistormi (červený hrot, potenciometer sa správa ako fixný rezistor).
Stredný terminál potenciometra - môžeme skúsiť otáčať bežcom. V jednej krajnej hodnote je napätie zhruba 2.4V, v prostrednej hodnote 1.16V a na druhej krajnej hodnote je to 0V.
Alternatívou je meranie pomocou voltmetra:

Fig. 15 Zapojenie obvodu s potenciometrom a voltmetrom. Pri použití multimetra sa červený kábel multimetra použije ako žltý na obrázku.#
Senzory - termistor a fotorezistor#
Senzory sú zariadenia, ktoré detegujú fyzikálne zmeny v prostredí a premieňajú ich na merateľný elektrický signál alebo inú formu signálu. V tomto prípade budeme hovoriť o dvoch senzoroch, ktoré menia svoj odpor na základe zmien v prostredí (na rozdiel od potenciometra, ktorý menil odpor na základe manuálnej manipulácie).
Fotorezistor - svetelný senzor. Mení odpor na základe množstva svetla, ktoré na senzor dopadá. Ide o takzvané LDR (light dependent resistor). Tieto rezistory sú vyrábané z polovodivých materiálov, ktoré majú veľký odpor v tme a malý odpor na svetle. Zmena v hodnotách nie je lineárna. Viac svetla = menej odporu.
Termistor - teplotný senzor. Mení odpor so zmenou teploty. Táto zmena nie je lineárna, konkrétny prepočet medzi teplotou v
K
a odporom vΩ
je možné nájsť v technickom liste senzora.Existujú dva typy termistorov:
NTC (negative temperature coefficient). Tento typ je častejší. Prevod medzi teplotou a odporom je typicky počítaný pomocou Steinhart-Hartovej rovnice. V princípe ale platí: väčšia teplota = menej odporu.
PTC (positive temperature coefficient). Tento typ má využitie v obvodoch ako ochrana pred nadmerným prúdom. Pri nadmernom prúde, keď sa obvod, resp. komponenty zahrievajú, tak sa zvýši odpor termistora, ktorý tým pádom limituje prúd. Teda platí: väčšia teplota = viac odporu.

Fig. 16 Fotorezistor vľavo a NTC termistor vpravo.#

Fig. 17 Vzťah medzi odporom a teplotou pre typický NTC termistor.#
Experiment č. 5 - Fotorezistor
Pomôcky: Arduino Nano, breadboard, rezistor (10kΩ), dupont káble, fotorezistor alebo termistor, multimeter alebo voltmeter
Zapojenie obvodu je nasledovné:
rezistor je napojený na Arduino na 5V
druhý koniec rezistora je spojený s fotorezistorom (resp. termistorom)
druhý koniec fotorezistora (termistora) je spojený s Arduinom na GND

Fig. 18 Ukážka zapojenia obvodu s fotorezistorom.#
Senzor mení svoj odpor so zmenou fyzikálnej veličiny. Zmena odporu zapríčiňuje aj zmenu napätia v obvode.
Pomocou multimetra zmeriame napätie nasledovne:
čierny hrot multimetra na GND (resp. na jednu nožičku senzora)
červený hrot multimetra na druhú nožičku senzora (tá, ktorá sa napája na rezistor).
Zvyšujeme teplotu termistora dýchaním alebo držaním prstami. Meníme množstvo dopadajúceho svetla zakrytím senzora alebo naopak zasvietením svetlom z telefónu.
Sledujeme zmeny v napätí. Fotorezistor má pri veľkom svetle nízky odpor, čo bude znamenať napätie 0V. Pri zakrytí senzora má vysoký odpor. Vzhľadom na použitý rezistor, môže byť nameraná hodnota napríklad 1.7V.

Fig. 19 Schématické zapojenie s použitím voltmetra.#
Delič napätia#
Môžeme si všimnúť, že v predošlej úlohe sa pri zmene teploty, prípadne množstva svetla, menil odpor jedného komponentu. Avšak merali sme napätie. Súvisí to s tým, že Arduino nevie priamo merať odpor, ale dokáže merať napätie. Na základe známych hodnôt napätí je možné vypočítať aj hodnotu odporu. Využíva sa na to elektrický obvod s názvom delič napätia (voltage divider).
Výpočet odporu meraním napätia#
Uvažujme elektrický obvod, kde sú dva rezistory zapojené sériovo. Prúd prechádzajúci rezistormi je konštantný, avšak pri sériovom zapojení sa mení napätie namerané na jednotlivých častiach obvodu.

Fig. 20 Schéma zapojenia. Ako batéria v našom prípade vystupuje Arduino s napätím \(U\). Multimetrom meriame napätie \(U_2\). Rezistor \(R_1\) má známy odpor. Hodnotu \(R_2\) hľadáme.#
Pomocou Ohmovho zákona si vyjadríme hodnotu napätia na celom elektrickom obvode. Celkový odpor získame spočítaním hodnôt rezistorov.
Prúd je rovnaký vo všetkých častiach obvodu, lebo rezistory sú zapojené do série. Platí nasledovné:
Dosadením do prvej rovnice dostaneme:
Následnou úpravou, prenásobením hodnotou \(R_2\):
A odpočítaním \(R_2\cdot U_2\):
Po úpravách vieme vyjadriť hodnotu odporu rezistora \(R_2\):
V našom prípade pri zapojení obvodu s fotorezistorom z predošlého experimentu môžeme dosadiť hodnoty nasledovne:
\(U = 4.7V\) napätie batérie, resp. v našom prípade operačné napätie Arduino Nano
\(U_2=1.7V\) napätie namerané na fotorezistore
\(R_1 = 10kΩ = 10000Ω\) odpor prvého rezistora
\(R_2\) je hľadaná hodnota odporu senzora.
Pri použití termistora je možné vypočítať hodnotu odporu a následne prepočítať hodnotu teploty.

Fig. 21 Spôsob zakreslenia schémy. Vľavo je celý obvod. V strede sú jednotlivé časti napojené na spoločnú zem (GND). Na obrázku vpravo je to isté znázornené s jedným zakreslením GND. Pri meraní napätia vždy uvažujeme meranie v danom mieste (červený hrot) a čierny na GND.#
Využitie deliča napätia#
Existuje viacero možností využitia deliča napätia, napríklad:
kompatibilita signálov - prispôsobenie rozsahu napätí na mikrokontroléroch a senzoroch. Prípadne pri prepojení dvoch Arduino zariadení s rôznymi napätiami. Alebo napojenie Arduino na Raspberry PI. Typicky ide o konverziu 5V na 3.3V. Existuje na to aj prevodník ako špeciálna samostatná doska.
meranie odporu - to, čo sme videli pri termistore a fotorezistore. Výpočet neznámeho odporu na základe merania napätia.
monitorovanie napätia batérie - mikrokontrolérom alebo iným monitorovacím systémom. Pomocou deliča napätia sa redukuje napätie batérie na bezpečný rozsah pre meranie.
poskytnutie referenčnej hodnoty napätia - pre rôzne senzory alebo zariadenia, ktoré potrebujú stabilné a presné napätie konkrétnej hodnoty.
prispôsobené hodnoty odporu - zapojením rôznych rezistorov do série je možné získať aj neštandardné hodnoty odporu spočítaním jednotlivých hodnôt. Pri zapojení paralelne je spôsob výpočtu iný \((R^{-1} = R_1^{-1} + R_2^{-1})\).
LED - Light-emitting diode#
Dióda je elektrický komponent, ktorý vedie prúd iba jedným smerom. LED je dióda, ktorá emituje svetlo, keď ňou prechádza elektrický prúd.
Správne zapojenie#
LED má dva terminály (nožičky). Kladná anóda +
sa pripája kladný pól a záporná katóda -
na záporný. Dôležité je určenie smeru zapojenia. Identifikovať anódu a katódu sa dá troma spôsobmi:
Dĺžka terminálov
+
dlhá nožička-
krátka nožička
Nerovnomerná zhrubnutá časť obvodu
+
normálne zaoblenie po obvode-
skosená rovná hrana na dolnom okraji
Dve vnútorné časti sú viditeľne oddelené:
+
menšia vnútorná časť-
väčšia vnútorná časť

Fig. 22 Červená LED. Kladná anóda +
sa pripája na Arduino na 5V a záporná katóda -
na GND.#
Pri LED je potrebné dbať na správne zapojenie:
zapojenie v správnom smere:
Na to, aby LED svietila, je potrebné prekonať istú prahovú hodnotu napätia. To sa zvykne označovať \(V_F\) (forward voltage). Táto hodnota závisí od materiálu polovodiča použitého v dióde, ale aj od farby svetla.
ak je napätie menej ako prahová hodnota, LED nesvieti.
ak je napätie viac ako prahová hodnota, LED svieti. Odpor diódy je relatívne malý, preto je potrebné limitovať prechádzaný prúd a tým ochrániť LED. Použije sa zapojenie cez rezistor.
zapojenie v opačnom smere:
LED nie je navrhnutá na fungovanie pri opačnom zapojení.
Malé napätie je schopná tolerovať (pod hodnotou \(V_R\) - reverse voltage, typicky 5V).
Pri prekročení \(V_R\) môže dôjsť k trvalému poškodeniu LED. Pri prekročení hodnoty \(V_{BR}\) (breakdown voltage) dochádza k zlomu a preteká veľký prúd, ktorý zničí diódu.

Fig. 23 Priebeh prúdu pri rôznom napätí. Na zasvietenie je potrebné zapojenie LED v správnom smere, dodať napätie aspoň v hodnote \(V_F\) a limitovať prúd rezistorom.#
Farba LED#
Potrebná hodnota napätia \(V_F\) na rozsvietenie LED závisí od použitého materiálu. Tieto hodnoty sa líšia aj pre rôzne farby LED.

Fig. 24 Potrebné napätie \(V_F\) na rozsvietenie jednotlivých farebných LED.#
Farba LED |
\(V_F\) |
---|---|
infračervená (IR) |
1.2V - 1.8V |
červená |
1.8V - 2.1V |
žltá |
1.9V - 2.2V |
zelená |
2.0V - 3.5V |
modrá |
2.5V - 3.7V |
biela |
3.0V - 3.7V |
ultrafialová (UV) |
3.1V - 4.5V |
Tieto hodnoty sa môžu trochu líšiť pri iných materiáloch. Vieme to však zovšeobecniť, že na červenú a žltú farbu je potrebné napätie 2V a na zelenú, modrú a bielu 3V.
Zapojenie na Arduino#
Bežné 5mm LED vyžadujú 10-20mA na normálnu úroveň jasu. Arduino dokáže zvládnuť maximálne 40mA prúdu na jeden pin. Odporúčaná hodnota je však 20mA. Navyše je tam aj celkové obmedzenie prúdu pre všetky piny, resp. skupinu pinov. Táto hodnota závisí od konkrétnej dosky, čiže modelu Arduino.
V prípade, že obvodom prechádza nadmerne veľký prúd, môže dôjsť k poškodeniu pina na Arduine, resp. k poškodeniu celého Arduina. Výpočet hodnoty minimálneho odporu rezistora môžeme vykonať pomocou Ohmovho zákona:
kde \(V_{Arduino}=4.7V\) pri zapojení cez USB. \(V_F\) určíme podľa farby LED z tabuľky. Maximálny prúd uvažujeme \(I=20mA=0.02A\).
Ideálne je použitie rezistora v rozsahu 100Ω - 400Ω. Väčší odpor znamená nižší jas LED. Menší odpor môže byť rizikový pre Arduino. Otočením Ohmovho zákona si môžeme vypočítať prúd pre zvolený rezistor:
Arduino a skrat
Ak je hodnota prúdu väčšia ako 20mA, je potrebné použiť rezistor s väčším odporom.
LED a 7-segmentový displej#
Experiment č. 6 - LED
Pomôcky: Arduino Nano, breadboard, rezistor (v rozsahu od 100Ω do 400Ω), dupont káble, LED, 7-segmentový displej
Postup:
Vezmeme si LED a identifikujeme katódu a anódu.
Zapojíme do obvodu s použitím rezistora podľa nasledovnej schémy:
Fig. 25 Schéma zapojenia LED k Arduino Nano.#
Vyskúšame rôzne rezistory. Silný rezistor (10kΩ) spôsobí, že LED nebude svietiť vôbec alebo veľmi slabo. Slabší rezistor (100Ω - 400Ω) by mal fungovať správne. Vypočítame prechádzajúci prúd. Ak máme k dispozícii rôzne farby LED, môžeme vyskúšať vymeniť.
Vyskúšame si zameniť obvod, a rezistor z pozície medzi 5V a LED sa presunie medzi LED a GND. Výsledok by mal byť rovnaký. Prúd bude v celom obvode rovnaký (Ohmov zákon, Kirchoffov zákon). Potrebné napätie \(V_F\) bude tiež zabezpečené (napätie je relatívna hodnota - rozdiel potenciálov dvoch bodov v obvode).
Použijeme 7-segmentový displej.
Fig. 26 7-segmentový displej pozostáva z 8 samostatných LED.#
7-segmentový displej má 10 pinov rozdelených na dve časti po 5 pinov. Prostredný pin na oboch stranách je spoločná katóda alebo anóda pre všetky LED. Z technického listu sa dá zistiť polarita.
Zapojíme jednotlivé piny postupne do obvodu a sledujeme, ktorý pin zodpovedá ktorej LED. Každý z 8 pinov reprezentuje jeden zo 7 segmentov alebo bodku rozlišujúcu 6 a 9.
Bonusová úloha – zapojíme si medzi rezistor a LED jeden potenciometer, ktorým sa bude dať ovládať intenzita jasu. Pozor na situáciu, kedy je odpor potenciometra nulový.